Ace the UPS Maintenance Mechanic Test with Accurate Prep [2025]



With a variety of topics covered in 6 test sections, the highly professional UPS Maintenance Mechanic Test poses the first and greatest hurdle in the UPS hiring process.

The following guide will walk you through everything you need to know about the test, and will give you the only tailored, focused preparation for it:

  • 27 UPS Maintenance Mechanic practice tests - covering the exact topics presented in the actual assessment. 
  • 3 Theoretical Guides - PDF guides to give you extra theoretical knowledge in test sections where it is most required.
  • 2 Bonus Ramsay tests - full-length mock tests with a mixture of questions to serve as extra practice and assess your level.

Note: The preparation currently excludes the Conveyor Belt Systems and Mechanical Systems sections.

UPS Maintenance Mechanic Test

One-Time Payment
Money Back Guarantee
  • 27 UPS Maintenance Mechanic practice tests
  • Covers 4 of 6 test sections
  • 3 PDF Theoretical Guides
  • 2 Ramsay Bonus Tests (question mix)
  • One-time payment


Not Included

  • Conveyor Belt Systems
  • Mechanical Systems sections.


UPS PrepPack
Here you'll find information about the UPS Maintenance Test PrepPack.

JobTestPrep has been preparing candidates for their pre-employment assessments online since 2007 and is the only provider of accurate maintenance test prep material. 


Yedidya, Ramsey Test Expert at JobTestPrep
Have a question? Contact me at:

What Is the UPS Maintenance Mechanic Test?

The UPS Maintenance test is a specialized selection test used to screen UPS candidates for technical and maintenance positions. Such as maintenance mechanics, aircraft mechanics, and plant engineers.

The test is designed and conducted on behalf of UPS by Ramsay Corporation, a multinational company specializing in technical and mechanical pre-employment tests.

The test covers the following technical topics:

  • Electrical
  • Reading Schematics
  • Hydraulics & Pneumatics
  • Welding
  • Conveyor Belt Systems
  • Mechanical Systems

Alternative Names of the UPS Maintenance Mechanic Test

  • UPS Maintenance Test
  • UPS Aircraft Mechanic Test
  • UPS Plant Engineering Maintenance Mechanic Test

UPS Maintenance Mechanic Test – Overview and Sample Questions

Here is a breakdown of all 6 sections of the UPPS Maintenance Test, including sample questions.

Electrical

This very broad topic covers the following:

  • Motors
  • Digital and Analog Electronics
  • Computers / PLC and Test Instruments
  • Power Supplies
  • Power Distribution and Construction / Installation
  • Mechanical and Hand / Power Tools

The extent of this section on your UPS maintenance technician test will vary depending on your position. If you are applying to an electricity-related position, consider preparing with the Electrical Maintenance Test Preparation.

Electrical Sample Question

In induction motors, the difference between the synchronous and asynchronous speed of the rotor is referred to as:

Wrong

Correct!

Wrong

Wrong

View Explanation

The correct answer is B.

Induction motors which are also called asynchronous motors work on the principle of induction which is inducing a current in the rotor by changing the magnetic field of the stator.

We can differentiate two definitions of speed in induction motors:

  • Synchronous speed – The speed of the changing magnetic field.
  • Asynchronous speed – The speed of the rotor (which is different from the synchronous speed).

The difference between these two is called slip. Therefore, B is the correct choice.

As for the other answers, single phasing (A) occurs when one of the motor terminals is loose or disconnected making the motor run on a single-phase. No-load speed of a motor (C) is the maximum speed of a motor when there is no load applied.

Reading Schematics

Reading schematics is one of the most important skills for a maintenance worker.

This section of the test is fairly challenging because it is not limited to testing your knowledge of symbols and charts but also requires you to look critically at the charts and make use of your deduction skills to determine the right answer to a given question.

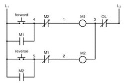
Reading Schematics Sample Question

What will happen if the forward button is pressed and released after a while?

amazon ramsay maintenance test print reading sample question

Correct!

Wrong

Wrong

Wrong

View Explanation

The correct answer is A.

Answer choices C and D cannot be true because M2 is not affected.

In this circuit, the forward button is an in-parallel auxiliary connection with M1. This means the forward switch enables M1.

However, when the forward button is released, the M1 connection maintains the current and keeps energizing the forward circuit.

Hydraulics & Pneumatics

This section deals with both practical and theoretical knowledge related to hydraulic and pneumatic systems.

Being a relatively heavily theoretical section, the Hydraulics & Pneumatics section is especially challenging for experienced workers who have managed to forget some of the theoretical material they've studied.

Hydraulics & Pneumatics Sample Question

Which type of valve should be used when a precise, low flow is required?

Wrong

Correct!

Wrong

Wrong

View Explanation

The correct answer is B.

A needle valve is constructed as an elongated, narrow plunger inside a small port. This structure enables the valve to regulate the flow with high precision. However, it is not capable of withstanding high pressure.

A check valve is a valve that enables flow in only one direction, using a ball, a piston, or a spring-loaded flapper.

A gate valve operates by lifting a gate from the path of the fluid. These gates are planar and are mostly used with high-volume, unrestricted flow.

Welding

This section tests your knowledge of welding procedures, standards, and both theoretical and practical issues that relate to welding, proper work standards, and safety.

Welding Sample Question

The advantage of intermittent welding is that it is:

Wrong

Wrong

Wrong

Correct!

View Explanation

Intermittent welding is a joint welding technique where the fillet weld is done non-continuously.

Apart from the fact that it’s more economical (since less energy and materials are used), it is also easier to repair.

Since the welding is not continuous, in a case of failure, only a small part of the welding is broken before the strain is released, thus making it easier to repair. Had the welding been continuous, the entire joint would have been torn apart, requiring the re-welding of the entire joint.

Naturally, for the very same reasons, intermittent welding is not as strong as full welding.

Conveyor Belt Systems

Anyone who's been to a package handling facility knows how important conveyor belts are to the work there.

As such, it should come as no surprise that to work at UPS you must demonstrate knowledge of conveyor belt systems. In this section, you will be asked both questions about the operating principles of conveyor belt systems, safety rules applied to them, and troubleshooting and repairing conveyor belt systems.

 

Please note that the UPS Maintenance Mechanic Test Practice currently does not cover the Conveyor Belt Systems section.

Mechanical Systems

In this section, you will have to deal with theoretical and practical issues related to mechanical systems, particularly the ability to find and repair malfunctions.

Examples of topics in this section are pumps, piping, HVAC, and more.

Please note that the UPS Maintenance Mechanic Test Practice currently does not cover the Mechanical Systems section.

Accurate Prep for the UPS Maintenance Mechanic Test

  • Covers the topics of the actual test (4 out of 6)
  • Focused, tailored practice questions
  • Replicates the structure and formatting of actual UPS test questions
  • Detailed explanations to ALL practice questions

 Looking for a different test? Check out our Civil Service Exam page and find the test relevant to your position.