NOCTI Test: Certification, Electrical Version Sample Questions & Answers (2025)



More and more employers are increasingly turning to unbiased and skill-oriented assessments to streamline their hiring process. An excellent example is the Electronics Technician NOCTI Test, which offers a quicker and more accurate method to identify the best talent for the position. If you aim to become an Electronics Technician, excelling in the NOCTI Test is crucial. 

Accordingly, our experts have developed a tailored NOCTI PrepPack that includes all the study and exam preparation materials you need to ace the test. In detail, here is what you can expect:

  • Practice Tests for each section with 200+ Sample Questions, detailed answers, and explanations. 
  • 2 Complete Test Simulations to familiarize yourself with the test format and time constraints. 

On this page, we gathered the essential information you need to know about the NOCTI Test, including NOCTI scores and NOCTI Business Solutions (NBS) —Boeing's preferred assessment. Furthermore, we provide questions resembling the Electronics Technician NOCTI Test format, with detailed answers and explanations.

Ready to know more? Let's get started.

NOCTI Test

One-Time Payment
Money Back Guarantee

2 Full-Length Test Simulations including:

  • 200+ Questions
  • With Real Time-Limits 


4 Electronic Practice Tests:

  • Applied Electronic Theory and Circuits
  • Electromechanical Equipment
  • Electronic Equipment
  • Infrastructure


3 Computers & Control Practice Tests:

  • Computer Literacy
  • PLC Equipment
  • Process Controls


3 Practical Applications Practice Tests:

  • Equipment Controls and Sensors
  • Preventative Maintenance and Schematics
  • Safety

What Is The NOCTI Test?

The National Occupational Competency Testing Institute (NOCTI) is a non-profit organization that provides skill-based, industry credentials across the United States for various educational and professional levels.

Founded in 1996 by the U.S. Commissioner of Education, NOCTI aims to enhance technical education (CTE), supporting states in developing a skill-based workforce to improve America's workforce. Initially focused on students, NOCTI has expanded to offer diverse assessments, certifications, and career training services.

Employers nationwide recognize NOCTI credentials and scores, as they aim to assist students and workers in improving job prospects and advancing careers. In essence, NOCTI credentials measure job readiness, support employment promotions, and contribute to advancing careers and technical education. Accordingly, a favorable score can significantly impact professional development. NOCTI is valuable for measuring student achievement in CTE programs, assessing employees, and identifying potential training needs.

You can find other assessment companies and test providers such as Harver, I/O Solutions, and Ergometrics. They offer different industry credentials and standardized exams which help enhance talent acquisition processes.


NOCTI Test Questions

Applied Electrical/Electronic Theory

Applied Electrical/Electronic Theory Sample Question #1

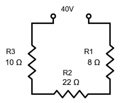
In the circuit shown below, what is the power dissipated by R3?

Wrong

Wrong

Wrong

Correct!

View Explanation

The parallel resistance of R1 and R2 is 5 Ohm, so the total resistance of the circuit is 12.5 Ohm. This means the total current is 20A, which means that the total voltage over R1 and R2 is 100V. Power is given by V2/R. Therefore, P=1002/25=400W

Applied Electrical/Electronic Theory Sample Question #2

What is the primary function of solenoids in electrical circuits?

Wrong

Wrong

Correct!

Wrong

View Explanation

The main use of solenoids in electrical circuits is to serve as switches or valves by utilizing a magnetic field to move a plunger.

Equipment Controls and Sensors

Equipment Controls and Sensors Sample Question #1

The primary component that senses the motor speed and sends feedback to the VFD is:

Wrong

Correct!

Wrong

Wrong

View Explanation

An encoder is used in motor-driven systems to sense the speed (and sometimes position) of the motor. This feedback is sent to the VFD to ensure accurate speed control.

Equipment Controls and Sensors Sample Question #2

While utilizing a closed-loop control system, feedback is provided to the:

Wrong

Wrong

Correct!

Wrong

View Explanation

In a closed-loop control system, feedback is continuously provided to the controller, allowing it to adjust and achieve the desired output based on its current state. The correct answer C - Controller to adjust and achieve desired output.

Join successful Electronics Technician NOCTI test takers! Ace your exam with our PrepPack, unlocking the career you deserve! 

Visit our Free NOCTI Practice Test Page for additional and more detailed examples to obtain your Electronics Technician Certificate.  


NOCTI Business Solutions

NOCTI Business Solutions (NBS) is a specialized section of the organization that works as a leading provider of industry credentials and assessments for a wide variety of pre-employment testing. NBS’s services are designed to help businesses improve their hiring process and assess skills in an unbiased way as well as to develop effective training programs.

NBS's products and services are designed to help businesses improve their hiring process, assess the skills and knowledge of their current employees beforehand, and develop effective training programs. A team of experts works with businesses to create customized solutions that meet their specific needs.

NOCTI Business Solutions also offers customized pre employment testing solutions developed to meet the specific needs of each employer. Their group of experts can develop custom pre-employment tests for companies hiring for a certain position with specific job skills needed to identify training goals.

NBS tests are fair and accurate, and they are aligned with industry standards. They are also easy to use, and they can be administered online or in person.

NBS offers a variety of services including:

  • Pre-employment tests – These tests are designed to help employers identify qualified candidates and make informed hiring decisions. NBS offers a variety of pre-employment tests, including aptitude and cognitive ability tests, skills tests, and personality tests.
  • Job skills assessments – These assessments are designed to measure the skills of current employees or to identify training needs. NBS offers a variety of job skills assessments, including assessments for specific skills, such as welding, computer programming, mechanical aptitude, and healthcare. As well as assessments for general skills, such as problem-solving and communication.
  • Prior Learning Assessments (PLAs) – These assessments aim to assess the skills and knowledge that you have gained through prior work experience, education, and training. PLA can work as industry credentials or to meet educational requirements. NBS offers a variety of PLAs for skills such as math and English.
  • Training Consultancy Services – This service helps businesses develop and implement effective training programs. NBS training experts work with businesses to identify training needs and to develop tailored training programs and material.

NOCTI Exam Scores

After taking a NOCTI test, you will receive a score report including the following:

  • Overall Score – This score represents your overall performance on the assessment, calculated by averaging your scores on each test section.
  • Section Scores – These scores are your performance on each assessment's section. They identify your strengths and weaknesses in specific areas.
  • Cut Scores – These represent the minimum scores needed to pass the assessment and receive a NOCTI certification. These scores follow rigorous industry standards.

To interpret your NOCTI exam score, you should first compare your score to the cut score for the assessment. If your score surpasses the cut score, you have passed and earned a NOCTI certification. Otherwise, if your score is below the minimum, you have not passed the assessment and need to retake it.

You can also use your NOCTI score to compare your performance to other test-takers. NOCTI provides normative data for each assessment, which shows how your score compares to other test-takers in your state, region, and nationally.

Electronics Technician NBS Assessment

For aspiring Electronics Technicians at Boeing, success requires acing the NBS assessment.

Our Electronics Technician PrepPack aims to elevate your preparation:

Access practice tests for each section of the test.
Practice with 2 full-timed simulation tests to identify weaknesses, familiarize yourself with the format, and calculate the question's difficulty.

All practice materials are available for only $79.

Employers that range from renowned corporations to small businesses utilize NBS tests and services, enhancing their hiring processes. Explore further with our Free Boeing Company Electronics Technician Test.


FAQs

The NOCTI certification aids students and workers to demonstrate their skills and knowledge in a particular occupation. Companies also benefit from requiring candidates to pass specific NOCTI assessments, making the hiring process unbiased, and increasing the likelihood of finding a good match for the position. 

Certifications are available in over 120 occupations across a wide range of industries, including automotive technology, construction, cosmetology, culinary arts, electrical, healthcare, heating, ventilation, air conditioning (HVAC), information technology, manufacturing, and welding.

Passing a NOCTI test serves as a voucher and certification of the applicant’s skills and knowledge, even without prior work experience. Overall, the NOCTI certification is a valuable career credential that can help students and workers achieve their career goals.


The NOCTI test covers many career and technical education (CTE) pathways across industries. It includes categories like Agriculture, Construction, Arts, Business, Education, Finance, Government, Health Science, Hospitality, Human Services, IT, Law, Manufacturing, Marketing, STEM, and Transportation.

If you want to know the specific tests for occupations within each category have a look at their official website. NOCTI also provides education professional certifications for teachers and administrators in CTE programs. The exams you take depend on your desired career pathway and state requirements.


You can visit the NOCTI website and register to take the assessment. 

The assessment is available to complete online. You can expect your results within a few weeks of taking the assessment, either online or by mail.